ADAPTATEUR 25 IFIT 4520
ART. N° 762.101.034

Veuillez vous connecter pour voir le prix.
N° d'article127721N° d'article du fabricant762101034N° NPK335813
1 Pce = 0.067 kg
1 PAQ = 5 Pce

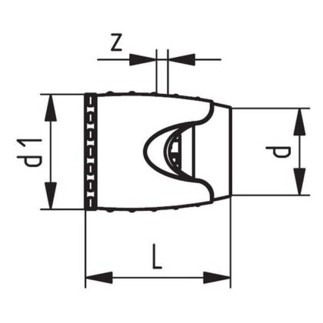
Spécifications

Fabricant
GF
Système
iFit
d
25 mm
d1
45 mm
L
62 mm
z
8 mm