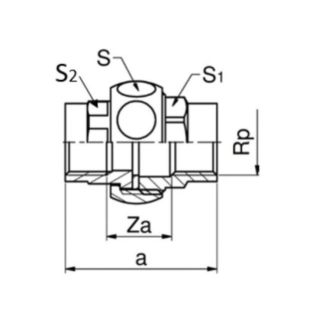
MANCHON UNION
8330 1/2"
LAITON / BRONZE AU SILICIUM

Veuillez vous connecter pour voir le prix.
N° d'article127931N° d'article du fabricant768330004N° NPK215112
1 Pce = 0.15 kg

Description de la

- joint plat

- Insert et partie vissée bronze au silicium

- Ecrou-raccord en laiton, joint inclus

Spécifications

Fabricant
GF
Rp
1/2 pouce