MPF-S SPRUNGBOGEN
30805 28 MM

Veuillez vous connecter pour voir le prix.
N° d'article128805N° d'article du fabricant30805N° NPK262.415
1 Pce = 0.165 kg

Description de la

Champ d‘application
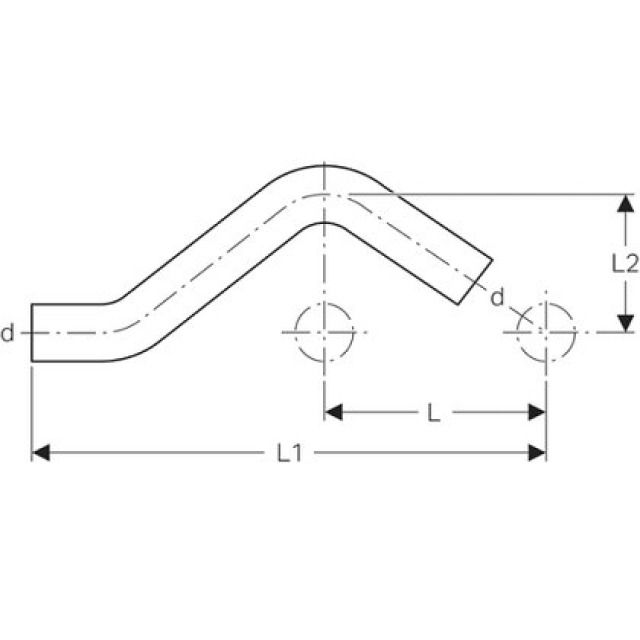
• Pour croiser des conduites parallèles avec un écart L

Caractéristiques techniques
Matériau Acier CrNiMo 1.4401 (EN 10088)

Spécifications

Fabricant
Geberit
Système
Mapress
28 mm
L
7,4 cm
L1
21 cm
L2
5 cm