GEBERIT PE COUDE A GRAND RAYON
360.055 90° 40 MM

Veuillez vous connecter pour voir le prix.
N° d'article138052N° d'article du fabricant360.055.16.1N° NPK313.232
1 Pce = 0.059 kg

Spécifications

Fabricant
Geberit
Système
PE
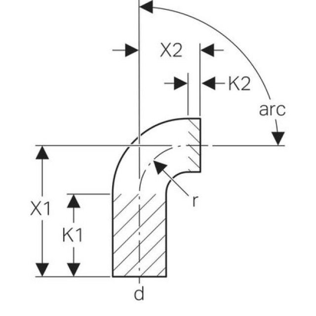
40 mm
X1
15 cm
X2
3 cm
K1
12 cm
r
3 cm