GEBERIT PE COUDE A PETIT RAYON
367.876 90° 110 MM

Veuillez vous connecter pour voir le prix.
N° d'article138063N° d'article du fabricant367.876.16.1N° NPK313.281
1 Pce = 0.485 kg

Spécifications

Fabricant
Geberit
Système
PE
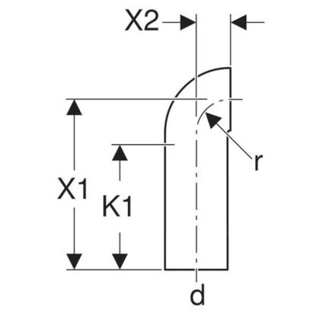
110 mm
X1
30 cm
X2
6 cm
K1
22 cm
r
6 cm