GEBERIT PE-EMBRAN A/ DEP COUDE
367.163 88.5° 110 / 110 MM

Veuillez vous connecter pour voir le prix.
N° d'article138179N° d'article du fabricant367.163.16.1N° NPK314.311
1 Pce = 0.333 kg

Description de la

Particularités
• Swept-Entry

Spécifications

Fabricant
Geberit
Système
PE
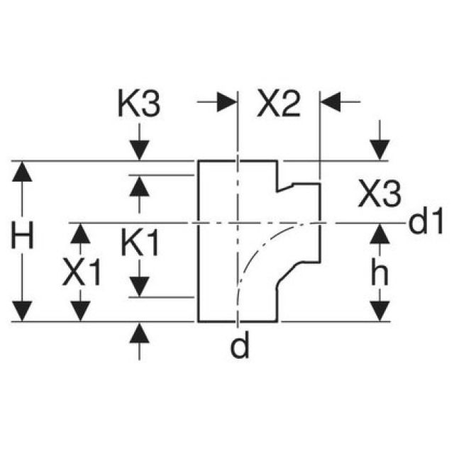
110 mm
H
22,5 cm
h
13,8 cm
X1
13,5 cm
X2
11,5 cm
X3
9 cm
d1Ø
110 mm
K1
3,5 cm
K3
3,5 cm