GEBERIT SOUPAPE ECOULEMENT
152.302 CHROME BRILLANT 2"

Veuillez vous connecter pour voir le prix.
N° d'article138617N° d'article du fabricant152.302.21.1
1 Pce = 0.37 kg

Description de la

Etendue de la livraison
• Filtre

Spécifications

Fabricant
Geberit
Couleur
chromé dur
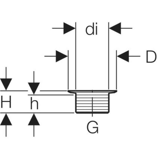
D
8 cm
H
4,5 cm
Ø int.
50 mm
h
3,5 cm
G
2 pouce

Accessoires