SILENT EMBRANCHEMENT 45°
307.054 75 / 56 MM

Veuillez vous connecter pour voir le prix.
N° d'article138817N° d'article du fabricant307.054.14.1N° NPK324.154
1 Pce = 0.4 kg

Spécifications

Fabricant
Geberit
Système
Silent
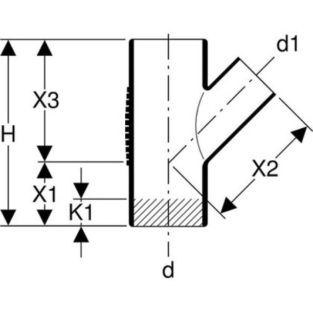
75 mm
d1
56 mm
H
21 cm
X1
7 cm
X2
14 cm
X3
14 cm
K1
3,5 cm