COUDE MAPRESS 90°
AJUSTABLE -42 MM 20407

Veuillez vous connecter pour voir le prix.
N° d'article140615N° d'article du fabricant20407N° NPK252.217
1 Pce = 0.556 kg

Spécifications

Fabricant
Geberit
Système
Mapress
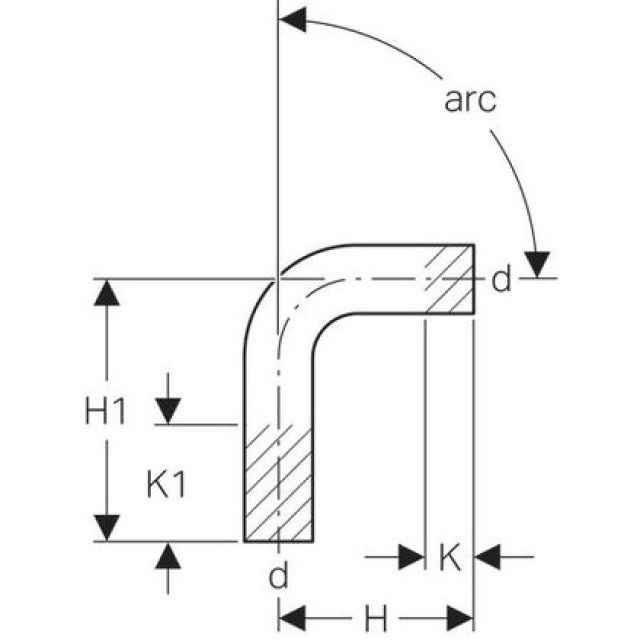
DN
40
42 mm
H
15 cm
H1
25 cm
K
4,4 cm
K1
14,4 cm