TUBE COMBINE MAPRESS
42-11/2" 12417"

Veuillez vous connecter pour voir le prix.
N° d'article140733N° d'article du fabricant12417N° NPK255.817
1 Pce = 0.285 kg

Spécifications

Fabricant
Geberit
Système
Mapress
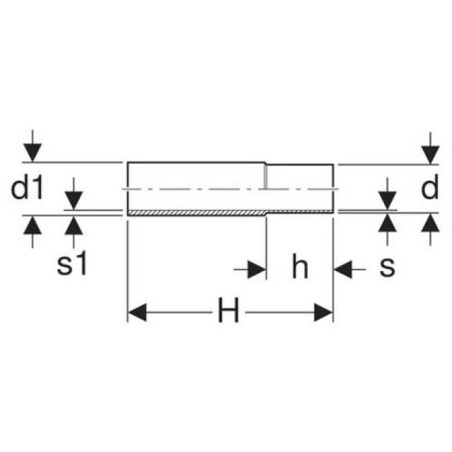
42 mm
H
12 cm
s
1.5 mm
d1Ø
48.3 mm
h
4.5 cm
s1
4.7 mm