PFIT STOPFEN F.SCHUTZR.BLAU
650.020 16 MM

Veuillez vous connecter pour voir le prix.
N° d'article165540N° d'article du fabricant650.020.00.1N° NPK361.151
1 Pce = 0.002 kg
1 PAQ = 10 Pce

Spécifications

Fabricant
Geberit
Système
Pushfit
Couleur
bleu ciel RAL 5015
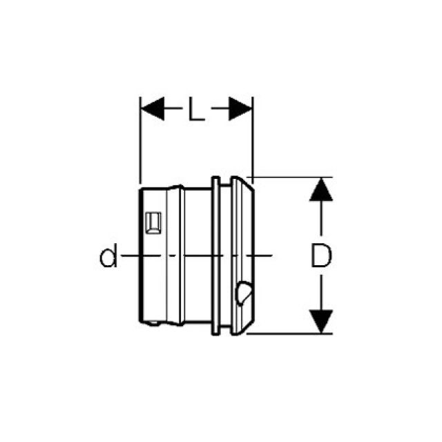
16 mm
D
2,7 cm
L
2,2 cm