INSTAFLEX HWS BUNDBUCHSE M NUT
6209 D= 40 MM

Veuillez vous connecter pour voir le prix.
N° d'article174820N° d'article du fabricant761069310N° NPK445355
1 Pce = 0.06 kg

Description de la

Convient aux collets et manchons unions
Inclus joint torique EPDM qualité pour eau potable
* Sur demande

Spécifications

Fabricant
GF
Système
Instaflex
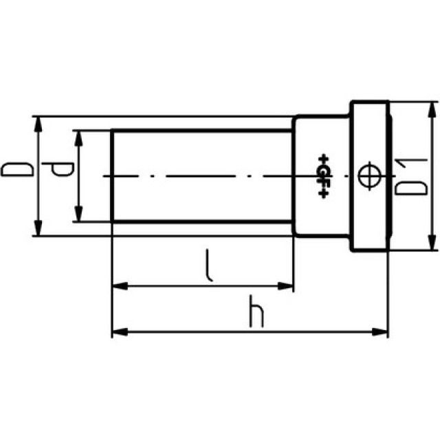
D
50 mm
d
* 40 mm
D1
61 mm
h
88 mm
l
56 mm