ANSCHLUSSBLOCK HEIZKÖRPER
16/2 TYP 240MM STICHMASS 50MM

Veuillez vous connecter pour voir le prix.
N° d'article191282N° d'article du fabricant1007077
1 Pce = 0.182 kg
1 PAQ = 10 Pce

Description de la

- en polystyrène avec capuchon de protection amovible
- boîtier isolant classe de feu E selon DIN EN 13501-1
- boîte d'isolation largeur 100mm
- dimension du point 50mm

Spécifications

Fabricant
Uponor
type
16 h=240mm
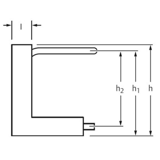
b
100 mm
h
285 mm
h1
265 mm
h2
240 mm
l
50 mm