GEBERIT PCE INTERM SUR GRES
372.739 315 / 300 MM
Veuillez vous connecter pour voir le prix.
Disp. au retrait à Martigny: 0 Pce
N° d'article232925N° d'article du fabricant372.739.16.1N° NPK344.366
1 Pce = 3.18 kg
Description de la
Champ d‘application
• Pour emboîter dans des manchons en grès
• Pour raccorder des brides en grès sur les extrémités de tuyau
• Pour le raccordement de joints et de brides de serrage en gré
• Pour une utilisation à l‘intérieur de bâtiments
• Pour emboîter dans des manchons en grès
• Pour raccorder des brides en grès sur les extrémités de tuyau
• Pour le raccordement de joints et de brides de serrage en gré
• Pour une utilisation à l‘intérieur de bâtiments
Spécifications
- Fabricant
- Geberit
- Système
- PE
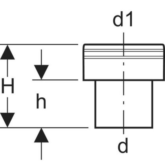
- dØ
- 315 mm
- H
- 20 cm
- h
- 12 cm
- d1Ø
- 352 mm