MAMELON DOUBLE LAITON A JOINT PLAT
6.0680 3/8"

Veuillez vous connecter pour voir le prix.
N° d'article248501
1 Pce = 0.02 kg

Description de la

en laiton

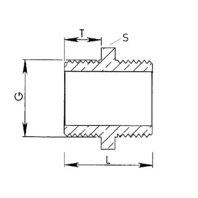
Spécifications

L
23 mm
G
3/8 pouce
S
18 mm
t
9 mm