SILENT COUDE RACCORD AU MODULE
305.907 LAV/URIN/BIDET 56/46MM

Veuillez vous connecter pour voir le prix.
N° d'article266542N° d'article du fabricant305.907.14.1
1 Pce = 0.35 kg

Description de la

Champ d‘application
• Pour éléments Geberit Duofix et Geberit GIS pour lavabo, urinoir ou bidet
• Pour manchettes de raccordement
Etendue de la livraison
• Cape de protection

Spécifications

Fabricant
Geberit
Système
Silent
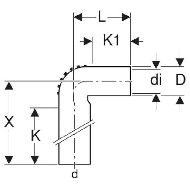
56 mm
D
5.2 cm
L
15 cm
X
57 cm
diØ
46 mm
K
49.5 cm
K1
7 cm