SILENT EMBRANCHEMENT COUDE 310.105
88.5° / 135° 110MM

Veuillez vous connecter pour voir le prix.
N° d'article287777N° d'article du fabricant310.105.14.1
1 Pce = 1.23 kg

Description de la

Champ d‘application
• Pour montage vertical
Particularités
• Swept-Entry

Spécifications

Fabricant
Geberit
Système
Silent
110 mm
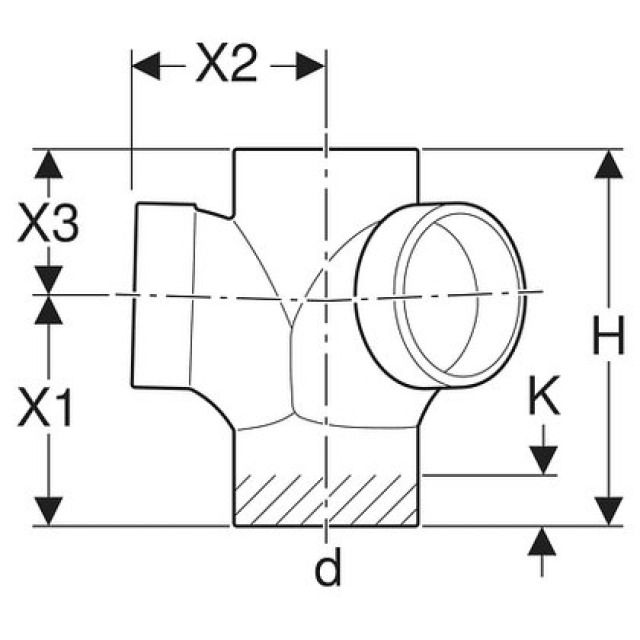
H
22.5 cm
X1
13.5 cm
X2
11.5 cm
X3
9 cm
d1Ø
110 mm
K
2 cm