MPF-S Bride PN 10/16
acier inoxydable,
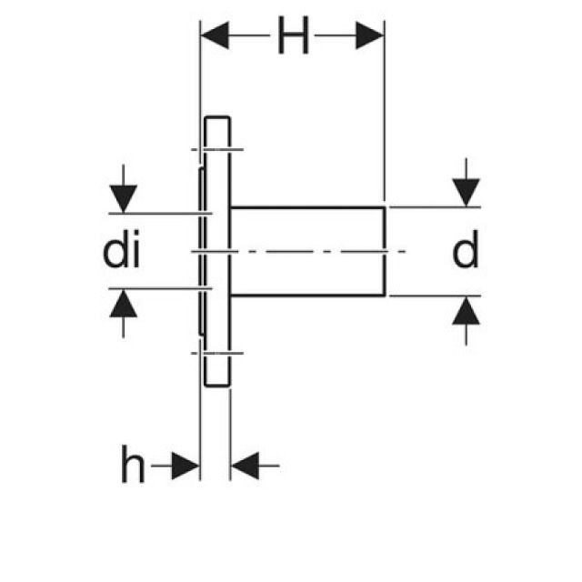
avec extrémité à emboîter:
d54mm D16,5cm
Veuillez vous connecter pour voir le prix.
Disp. au retrait à Martigny: 0 Pce
N° d'article288038N° d'article du fabricant33748
1 Pce = 2.69 kg
Description de la
Particularités
• Sans silicone
• Forme B1 (languette d‘étanchéité avec surface d‘étanchéité standard), EN 1092-1
Caractéristiques techniques
Matériau Acier CrNiMo 1.4401 (EN 10088)
• Sans silicone
• Forme B1 (languette d‘étanchéité avec surface d‘étanchéité standard), EN 1092-1
Caractéristiques techniques
Matériau Acier CrNiMo 1.4401 (EN 10088)
Spécifications
- Fabricant
- Geberit
- Système
- Mapress
- DN
- 50
- PN
- 10/16 Bar
- dØ
- 54 mm
- D
- 16.5 cm
- H
- 11.3 cm
- d1Ø
- 51 mm
- h
- 1.8 cm
- k
- 125 mm
- m
- 18 mm
- n
- 4 Pce