VORSCHWEISSFLANSCH, KÄLTEBESCH
PN40 - DN 15 / 21.3 MM
P250GH/C22.8/EN 1092-1 TYP11
SA2.5+2K / 3X60µ KÄLTEBES 180µ
3 X 2-KOMPONENTEN EPOXIDHARZ-
BESCHICHTUNG

Veuillez vous connecter pour voir le prix.
N° d'article290506
1 Pce = 0.74 kg

Description de la

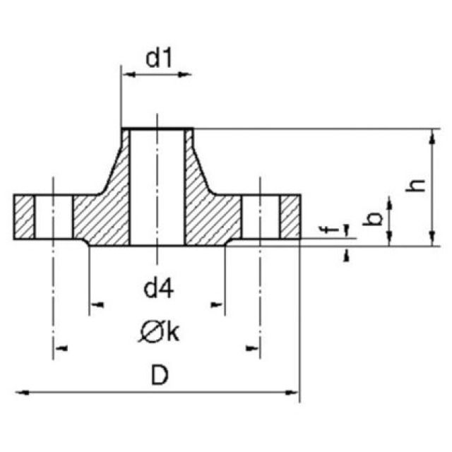
Bride à souder PN40 selon EN 1092-1 type 11, qualité P250GH / C22.8

Spécifications

DN
15 mm
Ø
21.3 mm
D
95 mm
h
38 mm
k
65 mm
Vis
4 x M12 x 50 mm