VORSCHWEISSFLANSCH, KÄLTEBESCH
PN25 - DN 250 / 273.0 MM
P250GH/C22.8/EN 1092-1 TYP11
SA2.5+2K / 3X60µ KÄLTEBES 180µ
3 X 2-KOMPONENTEN EPOXIDHARZ-
BESCHICHTUNG

Veuillez vous connecter pour voir le prix.
N° d'article290536
1 Pce = 23.6 kg

Description de la

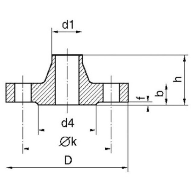
Bride à collerette PN25 selon EN 1092-1, type 11, qualité P250GH / C22.8

Spécifications

DN
250 mm
Ø
273.0 mm
D
425 mm
h
88 mm
k
370 mm
Vis
12 x M27 x 100 mm