Collet acier inoxydable
36148 PN 10/16 108 MM
avec extrémité à emboîter

Veuillez vous connecter pour voir le prix.
N° d'article292149N° d'article du fabricant36148
1 Pce = 1.82 kg

Description de la

Particularités
• Sans silicone
• Pour bride folle selon EN 1092-1, type de bride 02
Caractéristiques techniques
Matériau Acier CrNiMo 1.4401 (EN 10088)

Spécifications

Fabricant
Geberit
Système
Mapress
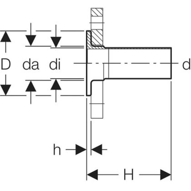
DN
100
PN
10/16 Bar
108 mm
D
15.8 cm
H
13.5 cm
Ø ext.
110 mm
diØ
104 mm
h
1 cm