MPF-S Collet avec extrémité
à emboîter pour bride folle
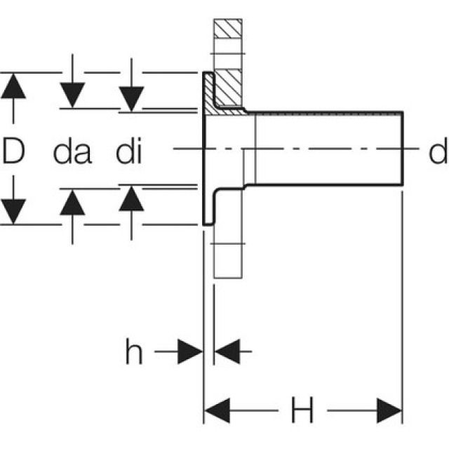
36141 PN 10/16: d22mm D5,8cm

Veuillez vous connecter pour voir le prix.
N° d'article294417N° d'article du fabricant36141
1 Pce = 0.297 kg

Description de la

Particularités
• Sans silicone
• Pour bride folle selon EN 1092-1, type de bride 02
Caractéristiques techniques
Matériau Acier CrNiMo 1.4401 (EN 10088)

Spécifications

Fabricant
Geberit
Système
Mapress
DN
20
PN
10/16 Bar
22 mm
D
5.8 cm
H
13.5 cm
Ø ext.
27 mm
diØ
19.6 mm
h
0.6 cm