SILENT COUDE DE RACCORDEMENT
DOUBLE 2X90° 308480 90 X 90 MM

Veuillez vous connecter pour voir le prix.
N° d'article302326N° d'article du fabricant308.480.14.1
1 Pce = 0.51 kg

Description de la

Champ d‘application
• Pour montage vertical
Particularités
• Pièce soudée

Spécifications

Fabricant
Geberit
Système
Silent
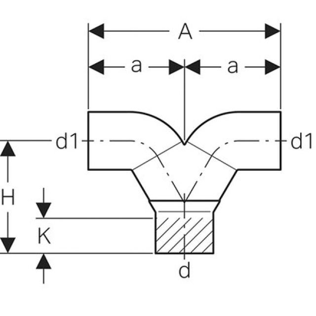
d
90 mm
d1
90 mm
H
17.5 cm
A
30 cm
a
15 cm