FRIALEN T-STUECK TA
615722 63 MM
Veuillez vous connecter pour voir le prix.
Disp. au retrait à Martigny: 0 Pce
N° d'article303592N° d'article du fabricant615722
1 Pce = 0.53 kg
Description de la
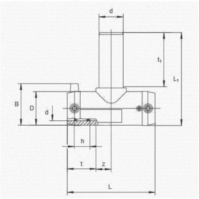
Passage droit avec serpentins chauffants apparents pour un transfert de chaleur optimal, grandes profondeurs d'insertion, zones de soudure larges ainsi que zones froides sur les faces frontales et au milieu pour empêcher le flux de matière fondue pour le traitement sans dispositifs de maintien. Longueur du raccord de sortie dimensionné pour 2 soudures.
PE 100, SDR11
PE 100, SDR11
Spécifications
- Fabricant
- Aliaxis
- Système
- Frialen
- D
- 81 mm
- d
- 63/63 mm
- L
- 197 mm
- L1
- 203 mm