VORSCHWEISSFLANSCH, KÄLTEBESCH
PN10 - DN 400 / 406.4 MM
P250GH/C22.8/EN 1092-1 TYP11
SA2.5+2K / 3X60µ KÄLTEBES 180µ
3 X 2-KOMPONENTEN EPOXIDHARZ-
BESCHICHTUNG

Veuillez vous connecter pour voir le prix.
N° d'article312186
1 Pce = 30.6 kg

Description de la

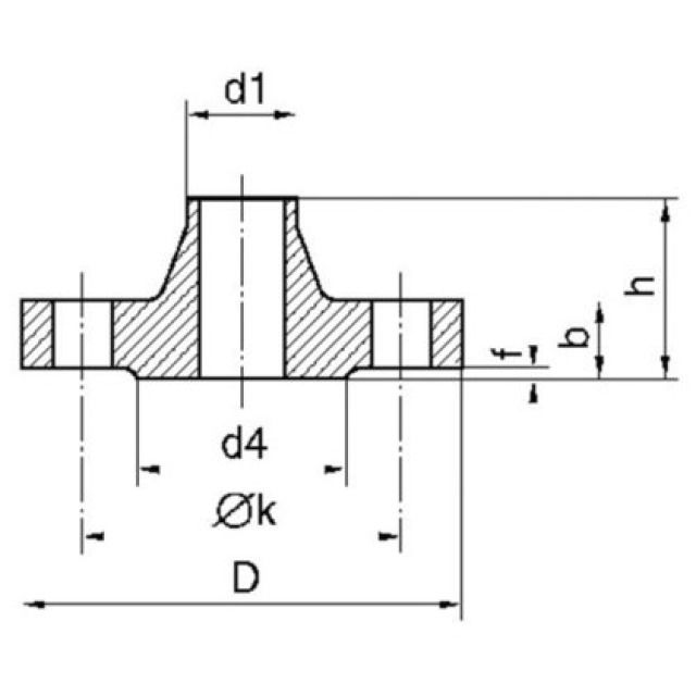
Bride à collerette PN10 selon EN 1092-1, type 11, qualité P250GH / C22.8

Spécifications

DN
400
Ø
406.4 mm
D
565 mm
h
72 mm
k
515 mm
Vis
16 x M24