Eberle RTR-S 6721
Raumregler AP 5-30°C 230V
extra flach, RAL 9010
Veuillez vous connecter pour voir le prix.
Disp. au retrait à Martigny: 0 Pce
N° d'article319580N° d'article du fabricant131170151100
1 Pce = 0.07 kg
Description de la
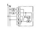
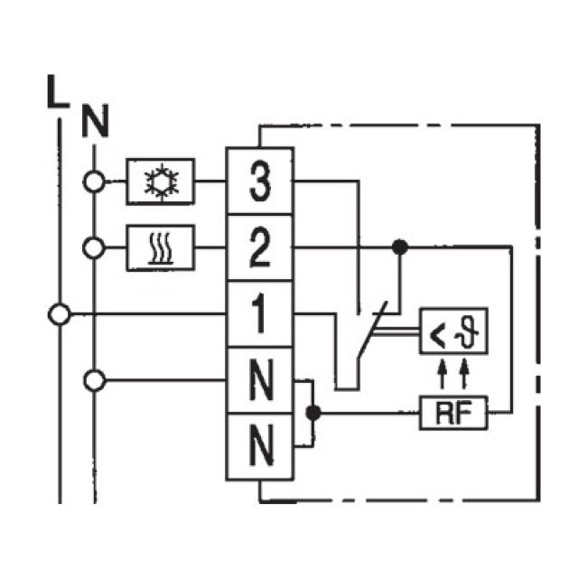
Régulateur d'ambiance 230V pour chauffage / refroidissement, fin et élégant avec une très faible hauteur de montage de seulement 18,5 mm pour une fixation murale. Blanc polaire brillant similaire à RAL 9010. Convient pour la régulation des chauffages centraux, des chauffages au sol à eau chaude, des chauffages électriques, des chauffages à accumulation nocturne, etc. Technologie bimétallique éprouvée, une vis imperdable avec insert fileté pour la fixation du couvercle du boîtier. Montage facile grâce à la fixation quadruple. Les bornes de raccordement sont conçues pour des fils jusqu'à 2,5mm².
Montage : en saillie
Technique : bimétal
Couleur : blanc polaire (similaire à RAL 9010)
Plage de température : 5 ... 30°C
Tension de service : AC 230 V 50 Hz
Courant de commutation : AC 10 mA...5A pour cosϕ = 1 ; 10 mA...2 A pour cosϕ = 0,6
Contact : Chauffage et refroidissement (inverseur)
Abaissement de la température : --
Dimensions (H x L x P) : 76 x 76 x 18,5 mm
Classe énergétique : I = 1%
Particularités : Vis non orientable avec insert fileté pour la fixation du couvercle du boîtier, fixation quadruple
Montage : en saillie
Technique : bimétal
Couleur : blanc polaire (similaire à RAL 9010)
Plage de température : 5 ... 30°C
Tension de service : AC 230 V 50 Hz
Courant de commutation : AC 10 mA...5A pour cosϕ = 1 ; 10 mA...2 A pour cosϕ = 0,6
Contact : Chauffage et refroidissement (inverseur)
Abaissement de la température : --
Dimensions (H x L x P) : 76 x 76 x 18,5 mm
Classe énergétique : I = 1%
Particularités : Vis non orientable avec insert fileté pour la fixation du couvercle du boîtier, fixation quadruple
Spécifications
- Fabricant
- EBERLE