GF Uponor S-Press
protection bruit/fuite U 16-20

Veuillez vous connecter pour voir le prix.
N° d'article333568N° d'article du fabricant35001121194
1 Pce = 0.03 kg

Description de la

Exécution:
• Kit d'insonorisation en EPP
• Boulons et vis M6x16 inclus
• Le kit est adapté à 1 applique murale S-Press PLUS d16-20

Spécifications

Fabricant
GF
Système
S-Press
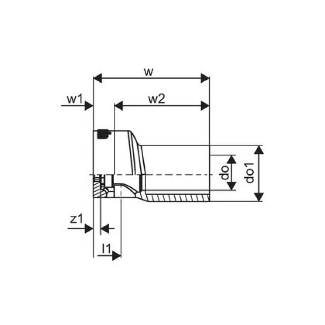
l1
23 mm
l2
71 mm
z1
3 mm
k
45 mm