HAWLE, Bague intermédiaire de raccordement, PN16, 8580

Raccord Hawle bague intermédiaire pour raccordement entre 2 brides
Fabricant Hawle
Trouvé 10
N° d'article
N° d'article
Fabricant
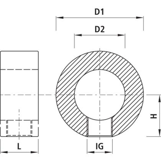
DN
H
mm
L
mm
D1
mm
D2
mm
Filetage intérieur
pouce
10 de 10
DN
H
L
D1
D2
Filetage intérieur