5085, Instaflex, Bride tournante PN 16 IPP

Matériel: bride en fonte, revêtement GFK
Convient aux collets
Serrer les vis avec couple de manoeuvre
Comme indiqué accessoires: vis, écrous, rondelles = usuelles
* Sur demande
Fabricant GF Système Instaflex
Trouvé 9
N° d'article
N° d'article
Fabricant
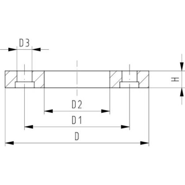
D
mm
d
mm
H
mm
D1
mm
Nombre de trous
D2
mm
D3
mm
9 de 9
D
d
H
D1
Nombre de trous
D2
D3