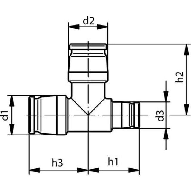
+GF+ iFIT, Module té réduit

Fabricant GF Système iFit
2 de 2
d3
h3