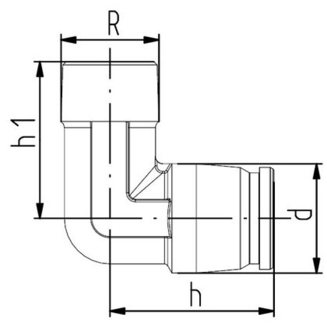
+GF+ iFIT, Coude intermédiaire avec filetage mâle

Fabricant GF Système iFit