• Spaeter AG
  • Spaeter Ticino SA
  • Dillena SA
  • Veuthey & Cie SA
  • Shop Quincaillerie
Veuthey & Cie SA
Login
  • Adduction
    • Hydrantes
      • Robinetterie vonRoll
      • Hydrantes vonRoll et accessoires
      • Hydrantes Hinni
      • Robinetterie Hawle
      • Hydrantes Hawle
      • Adduction gaz Hawle
      • Hawle Construction d’installation
      • Robinetterie Wild
      • NOVO garnitures d'encastrement et capuchons de rue
    • Tuyaux HDPE
      • Tubes pression HDPE EAU
      • Wavin TS Tubes pression PE EAU
      • Tubes pression HDPE GAZ
      • Wavin TS Tubes pression PE GAZ
      • Tubes pression HDPE Gerofit
      • Tube de protection Flex / Passages de mur RDS
    • Pièces spéciales HDPE
      • Raccords HDPE "EAU"
      • ELGEF Plus : pièces
      • Assemblage de bride
      • Pièces Frialen
    • Rouleaux PE-Pression
      • Tubes PE-pression EAU en torche
      • Tube PE-pression GAZ en torche
    • Raccords de tuyauterie
      • Düker Verrouillage anti-traction
      • Suba : manchons réparation
      • Hymax Grip / Repa-Flex / Straub
      • Plasson
      • Plasson raccord à emboîtement
      • GF iJOINT
      • Passage de mur
      • Isiflo
      • Multi/joint
      • GF manchons de réparation
      • Accessoires Conduites fouille
    • Joints d'étanchéité
      • Collerettes murales d'étanchéité
      • Aladin anneaux d'étanchéité
    • Conduites
      • Tube vonRoll à emboitement
      • RACC vonRoll à emboitement
      • Racc vonRoll filetés
      • Racc. vonRoll à bride
      • Duktus TMH
  • Sanitaire
    • Tubes acier / raccords / isolation
      • Tubes gaz et bouilleurs soudés
      • Raccords / mamelons-doubles galvanisés
      • Raccords
      • Isolation et accessoires
    • Distribution sanitaire flexible
      • JRG Sanipex
      • Uponor S-Press
      • +GF+ iFit
      • +GF+ Instaflex
      • Geberit FlowFit/PushFit
      • Nussbaum Optiflex
      • Tuyaux cannelés inox
    • Distribution sanitaire rigide
      • Profitec Systèmes à sertir sanitaire
      • Geberit Mapress sanitaire
      • Nussbaum Optipress - Aquaplus
      • Distribution sanitaire rigide
      • JRG Sanipex MT
      • Geberit Mepla
      • Tubes cuivre et accessoires
      • Programmes plastiques
    • Systèmes d'installation en applique
      • Geberit GIS
      • Duofix / GIS transversale
      • Duofix
      • Easy-Pack : Set raccordement cuisine
    • Robinetterie
      • Robinetterie
      • Vannes à bille
      • Tuyaux
      • Raccords rapides
      • Manomètre Jakob Regel
      • Geberit vannes et accessoires
      • Rinçage hygiénique Geberit/Accessoires
    • Chauffe-eau / Câble chauffant
      • Chauffe-eau / Boiler
      • Câble chauffant et accessoires
    • Adoucisseur d'eau / Hygiène de l'eau
      • Hygiène de l'eau
    • Fixations / système de montage
      • Colliers pour écoulements
      • Colliers Profitec
      • Colliers zingués
      • Colliers inox
      • Fixations-accessoires galv. / inox
    • Ecoulements
      • Ecoulements de sol
      • Bac de douche et bac de nourrice
      • Fonte d'écoulement
      • Geberit PE
      • Geberit Silent
      • Gouttière / bride
      • Wavin
    • Consommables
      • Divers consommables
    • Pompes/Stations de relevage/Surpression
      • Grundfos
    • Outillage
      • EPI
      • Quincaillerie / fixations / outils
      • Outillages - systèmes
      • Outillage portatif et accessoires
    • Salle de bains
      • Raccords/vannes d'angle/accessoires rac.
      • Programmes d'accessoires
      • Isolation acoustique/matériel de montage
      • Siphons / garnitures d'entrée
      • Miroirs / Armoires de toilette
      • Toilettes / WC douche / chasse d'eau
      • Produit consommable
      • Lavabos / Bacs à laver
  • Chauffage / Ventilation / Froid
    • Tubes gaz, tubes bouilleurs et pièces
      • Tuyau de gaz
      • Tubes bouilleurs
      • Raccords
      • Pièces à souder et brides
      • Joints plats
      • MANCHON DE BARRE
    • Systèmes à sertir
      • Mapress
      • Profitec
    • COOL-FIT Système de tuyauterie
      • COOL-FIT 2.0
      • COOL-FIT 4.0
    • Isolations / fixations
      • Isolations pour tubes et accessoires
      • Fixation et accessoires
    • Syst. de chauffage local et à distance
      • UPONOR tuyau thermo Ecoflex
      • UPONOR technique de connexion Wipex
      • UPONOR Accessoires Ecoflex
      • BRUGG Tube
      • BRUGG Accessoires
    • Chauffage au sol
      • Distributeur
      • Boîte de distribution
      • Régulation de la température
      • Raccord. tube composite/Pex/acier doux
      • Aluplast tubes de chauffage au sol
      • Systèmes de chauffage au sol
      • Système Tacker / Rail
      • Outillage
    • Locaux techniques
      • Robinets d'arrêt
      • Equipements de sécurité
      • Armatures de protection
      • Valves hydrauliques
      • Technologie de stockage
      • Règlements
      • Protec. con. corrosion et déminéralisat.
      • Mobile chauffage électrique
    • Pompes de circulation
      • Grundfos
      • Wilo
      • Meibes
    • Vannes de radiateurs
      • Danfoss
      • TKM
      • Oventrop
      • IMI Heimeier
      • Giacomini
      • Fixations et consoles
      • Accessoires
    • Protection incendie / Sprinkler
      • Victaulic
      • Tubes en acier
      • Protection contre le gel / Sprinklers
      • Expansion
    • Géothermie
      • Distributeur-sondes terrestres
      • Antigel
    • Construction de plancher/isolation
      • Isolation du sol Polystyrol
      • Isolation du sol Roll T/SE
      • Isolation du sol Pur
      • Bandes de rive
      • Isolation du sol en laine minérale
      • Feuille PE / Natte de protection PE
    • Ventilation / accessoires
      • Tuyaux de ventilation
      • Pièces de ventilation
      • Safe Pièces de ventilation
      • Tube ventil. flex
      • Maico ventilateurs
      • Gaines de ventilation
    • Outillage / quincaillerie
      • Quincaillerie / fixations / outils
      • EPI
      • Outils propres à un système
      • Outillage portatif et accessoires
  • Profitec
    • Systèmes à sertir sanitaire
      • Profitec PressInox tubes à sertir 1.4404
      • Profitec PressInox tubes inox 1.4521
      • Profitec PressInox tubes à sertir XL
      • Profitec PressInox pièces à sertir inox
      • Profitec PressInox pièces à sertir XL
    • Colliers de serrage
      • Colliers acier galvanisé
    • Système à sertir chauffage
      • PressSteel tubes VZ 15-54
      • PressSteel raccords VZ 15-54
      • PressSteel tubes VZ 76.1-108
      • PressSteel raccords VZ 76.1-108
      • Tubes à sertir V2A
    • Chauffage au sol
      • Distributeur
      • Boîte de distribution
      • Régulation/confort de la chambre
      • Tuyaux de chauffage au sol Aluplast
    • Sanitaire diverse
      • Robinetterie
      • Gouttières
      • Easy-Pack
      • Consommables
      • Tapis insonorisants
      • Frostschutz
  • Ferblanterie
    • Produits semi-fabriqués
      • Chéneaux
      • Accessoires pour cheneaux
      • Crochet
      • Ferblanterie tuyau descente
      • Accessoires pour tuyaux de descente
      • Dauphins
      • Dauphins accessoires
    • Toîts à pente
      • Bande perforée/tôles perforées
      • Capes tournantes
      • Chapeaux à lamelles ECO
      • Chapeaux ventilation
      • Pare-neige
      • Tôles ondulées et accessoires
      • Bandes perforees
    • Toîts plats
      • Naissance eau de toiture
      • Ecoulement de toiture, accessoires
      • Surverses
      • Garniture de ventilation
      • Dilatations
      • Garde-gravier/grilles
      • Bandes dil. mab
    • Tôles : rouleaux et feuilles
      • Zinc rlx/tôles
      • Cuivre rlx/tôles
      • Tôles et rouleaux galvanisés
      • Tôles et rouleaux inox ferblanterie
      • Tôles et rouleaux Mattplus
      • Uginox rlx/tôles
      • Tôles ond. galv.
      • Tôles aluminium en feuille
      • Tôles alu éloxées
      • Tôles striées aluminium
      • Gerstenkornbleche Aluminium
    • Accessoires de ferblanterie
      • Fixations
      • Plomb
      • Matériel d’apport soudage + électrique
      • Outillage
    • Protection contre les chutes
      • Solutions de sécurité pour toits plats
      • Solutions sécurité pour les toits pente
      • Points de fixation pour Metallfalzdächer
    • Paratonnerres
      • A. flury fil
      • Af acc. mise a terre
      • Af conducteurs
      • Af paratonnerre
      • A. flury mise à terre
      • Af equipotentialité
      • Af outillage
      • Matériel divers protection contre la foudre
    • Prefa
      • Tuiles Prefa
      • Prefa système de plaquage
      • Prefa système de cheneau
      • Prefa système de façades
      • Prefa Solar
      • Prefa rouleaux et tôles
Veuthey & Cie SA
Rue de l'Ancienne-Pointe 20
1920 Martigny
info@veuthey.ch
+41 27 720 45 00
  • Home
  • Sanitaire
  • Distribution sanitaire rigide
  • Distribution sanitaire rigide
  • RACCORDS BRONZE

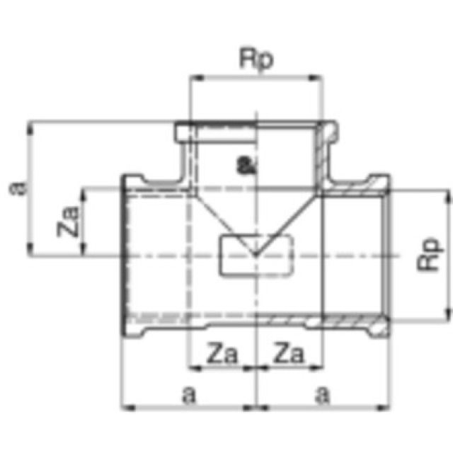
+GF+ Té égal 8130, bronze au silicium

- bronze au silicium
Fabricant GF
Variantes
Trouvé 7
N° d'article
N° d'article
Fabricant
Rp
pouce
127836 768130003
3/8
Rp 3/8 pouce
N° d'article127836N° d'article du fabricant768130003
Brut CHF
127837 768130004
1/2
Rp 1/2 pouce
N° d'article127837N° d'article du fabricant768130004
Brut CHF
127838 768130005
3/4
Rp 3/4 pouce
N° d'article127838N° d'article du fabricant768130005
Brut CHF
127839 768130006
1
Rp 1 pouce
N° d'article127839N° d'article du fabricant768130006
Brut CHF
127840 768130007
1 1/4
Rp 1 1/4 pouce
N° d'article127840N° d'article du fabricant768130007
Brut CHF
127841 768130008
1 1/2
Rp 1 1/2 pouce
N° d'article127841N° d'article du fabricant768130008
Brut CHF
127842 768130009
2
Rp 2 pouce
N° d'article127842N° d'article du fabricant768130009
Brut CHF
7 de 7
Rp
Veuthey & Cie SA
Martigny
Notre magasin se situe à:
Rue de l'Ancienne-Pointe 20
1920 Martigny
+41 27 720 45 00

Horaire d’ouverture magasin:
Lundi au jeudi
07h00 – 12h00 / 13h00 – 18h00
Vendredi
07h00 – 12h00 / 13h00 – 17h30
Samedi
08h00 – 12h00
Monthey
Notre magasin se situe à:
Rte Des Ilettes 7
1870 Monthey
+41 24 468 18 00

Horaire d’ouverture magasin:
Lundi au jeudi
07h00 – 12h00 / 13h00 – 17h30
Vendredi
07h00 – 12h00 / 13h00 – 16h30
Chippis
Notre magasin se situe à :
Rte de Chalais 26
3965 Chippis
+41 27 455 63 00

Horaire d’ouverture magasin:
Lundi au jeudi
07h00 – 12h00 / 13h00 – 17h00
Vendredi
07h00 – 12h00 / 13h00 – 16h00
  • Mentions légales
  • Protection des données
  • CGV
© 2026 Veuthey & Cie SA
powered by polynorm