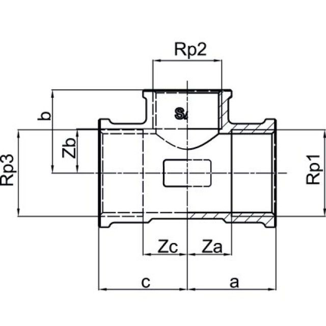
+GF+ Té, réduit 8130, bronze au silicium

- bronze au silicium
Fabricant GF
Trouvé 10
N° d'article
N° d'article
Fabricant
Filetage 1
pouce
Rp2
pouce
Rp3
pouce
10 de 10
Filetage 1
Rp2
Rp3