Geberit Mapress Super Size Té acier inoxydable avec filetage intérieur

Particularités
• Indicateur de sertissage
• Non serti non étanche
• Joint d‘étanchéité en CIIR noir
• Manchon à sertir avec bouchon de protection transparent
Caractéristiques techniques
Matériau Acier CrNiMo 1.4401 (EN 10088)
Fabricant Geberit Système Mapress
Trouvé 6
6 de 6
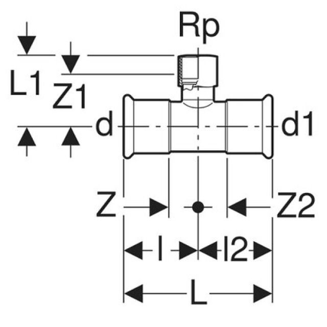
DN
L
l
L1
Rp
d1Ø
l2
Z
Z1
Z2