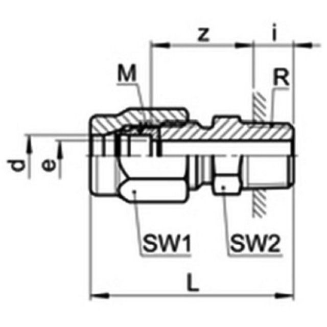
Serto-Verschraubung, SO 41121, mit Einschraubnippel

Fabricant SERTO
Trouvé 31
N° d'article
N° d'article
Fabricant
d1
mm
d2
pouce
31 de 31
d1
d2