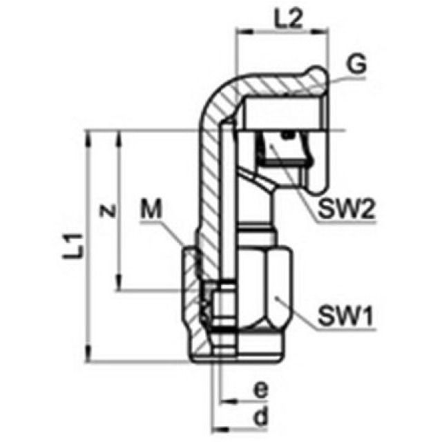
Serto-Anschlusswinkel, SO 42521

Fabricant SERTO
Trouvé 2
2 de 2
d1