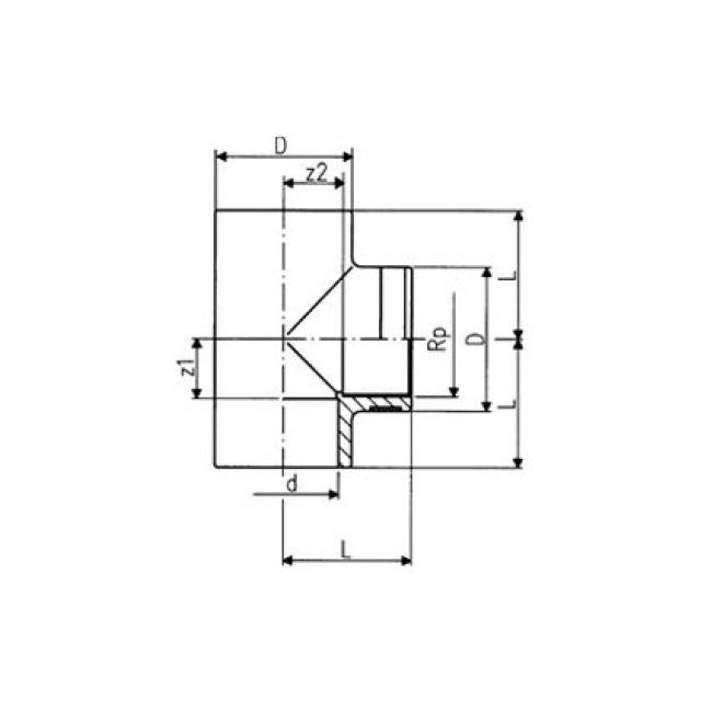
+GF+ PVC-U, Té 90°, PN16, 21 20 02

Fabricant GF
Trouvé 8
8 de 8
D
d
L
Rp
z1
z2