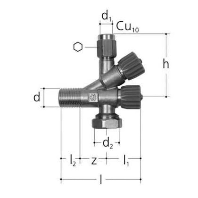
JRG, 8260, Robinet de réglage combiné

• Matériel: Laiton
• Raccord: Raccord à serrage
Fabricant GF JRG
2 de 2
Dimension
d
l2