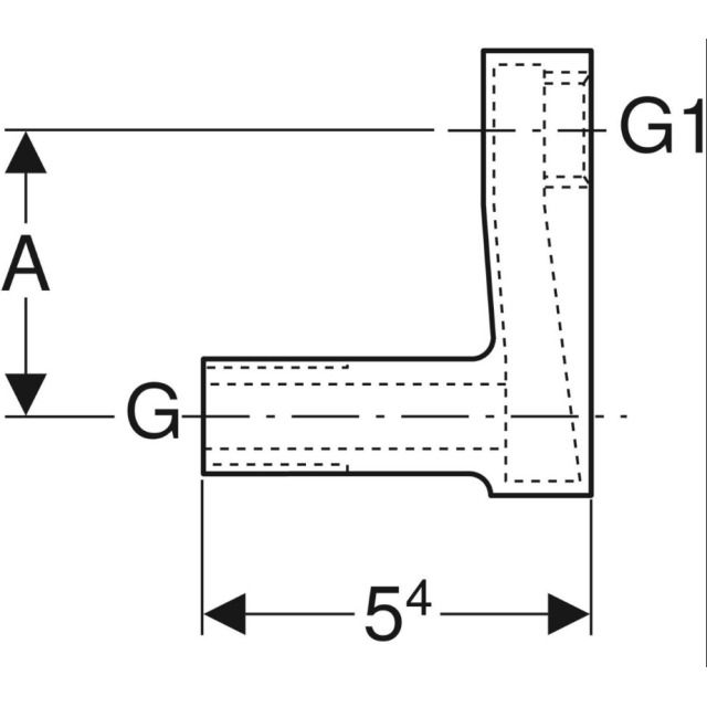
Raccord excentrique

Fabricant Geberit
Trouvé 2
2 de 2
Longueur
Dimension