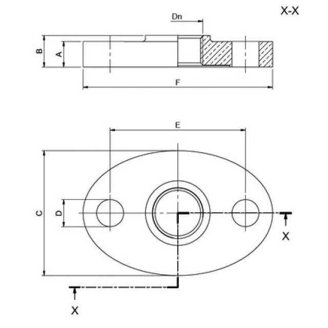
Bride pour compteur d'eau, PN 16

Bride pour compteur d'eau
Température d'utilisation -20° à + 100
Matériau : bronze rouge CC499K