Raccord transversal avec boîtier isolant - S-Press PLUS

- en laiton étamé

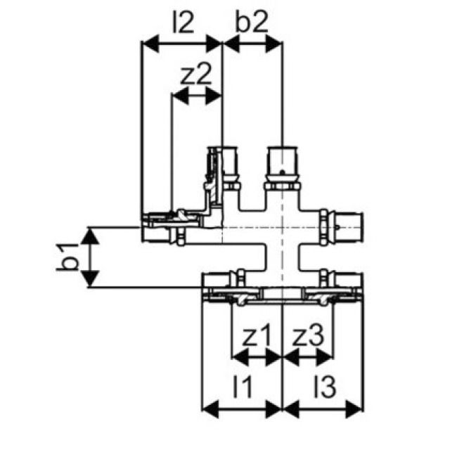
- pour le raccordement sans croisement et pré-isolé d'un radiateur sur le sol nu

- y compris boîtier isolant en EPP, isolation en deux parties de 13 mm, conductivité thermique 0,035 W/(m*K). Répond aux exigences de l'EnEV dans le domaine des traversées de tuyaux et des traversées de murs !

- Dimensions du caisson d'isolation (L x l x h) : 115 x 115 x 55 mm
Fabricant Uponor Système S-Press