Geberit Bride de serrage intermédiaire

Champ d‘application
• Pour assembler des tuyuax et des pièces de mêmes matériaux
  ou matériaux différents
Particularités
• Avec joint en EPDM
Caractéristiques techniques
Matériau Acier inoxydable
Fabricant Geberit
Trouvé 29
N° d'article
N° d'article
Fabricant
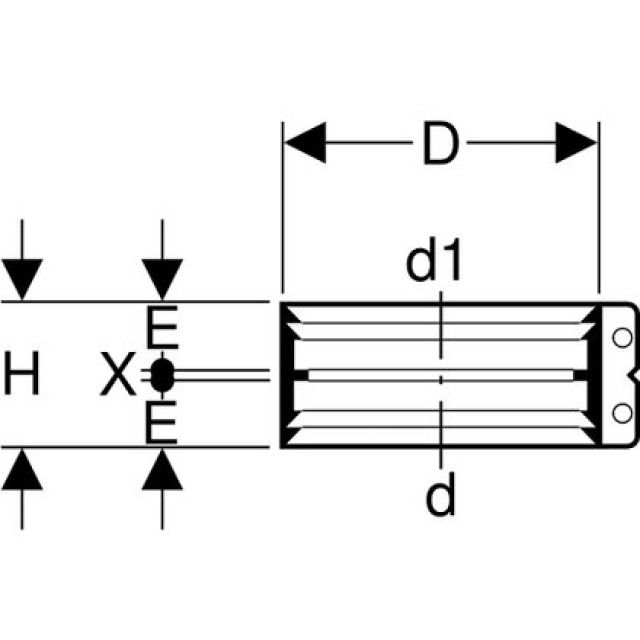
mm
D
cm
d1
mm
H
cm
X
cm
E
cm
29 de 29
D
d1
H
E