165815
111.621.00.1
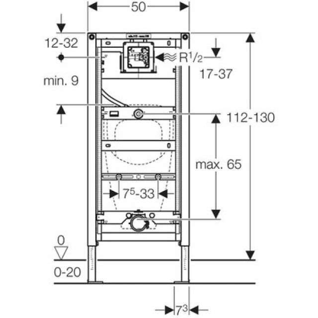
Duofix Elément pour urinoir, 112–130 cm, universel
Champ d‘application
• Pour la construction sèche
• Pour montage dans parois en applique à hauteur de local ou partielle
• Pour montage dans parois d‘installation à hauteur du local
• Pour montage dans des parois Geberit Duofix à hauteur de local ou partielle
• Pour le montage d‘urinoirs
• Pour montage de commandes d‘urinoir Geberit (à partir de
l‘année de construction 2009)
• Pour des hauteurs de chape de 0–20 cm
Particularités
• Cadre autoportant thermolaqué
• Châssis avec trous de perçage ø 9 mm à fixer dans construction en bois
• Pieds zingués
• Pieds réglables 0–20 cm
• Pieds antidérapants
• Plaques de pied rotatives
• Profondeur de la plaque de pied adaptée à un montage dans
profilés en U UW 50 et UW 75 et rails pour système Geberit Duofix
• Hauteur de l‘élément adaptable à l‘urinoir, 112–130 cm
• Boîtier à encastrer universel pour commandes d‘urinoir Geberit
• Borne de raccordement électrique dans le boîtier à encastrer
• Entrée d‘eau à droite sur le boîtier à encastrer
• Robinet d‘arrêt avec étranglement, prémonté
• Avec gaine vide intégrée pour le rinçage de la conduite
• Protection de chantier pour ouverture de révision 10.5 x 10.5 cm
ajustable sans outil
• Tuyau de chasse cintrable
• Tuyau de chasse avec guide afin d‘éviter l‘eau stagnante
• Fixation d‘entrée d‘eau ø 32 mm réglable en hauteur
• Fixation pour coude de raccordement réglable en hauteur et isolée contre le bruit
• Fixations d‘urinoir M8, réglables en hauteur et en largeur
• Traverses avec repérage central, réglable sans outil
• Adaptateur Geberit MeplaFix prémonté
• Fixation supplémentaire pour urinoir possible avec accessoires
• Convertible avec accessoires en urinoirs avec tête de diffusion
Etendue de la livraison
• Entrée d‘eau R 1/2“
• Protection de chantier avec couvercle
• 2 tiges filetées M8
• Matériel de fixation
• Pour la construction sèche
• Pour montage dans parois en applique à hauteur de local ou partielle
• Pour montage dans parois d‘installation à hauteur du local
• Pour montage dans des parois Geberit Duofix à hauteur de local ou partielle
• Pour le montage d‘urinoirs
• Pour montage de commandes d‘urinoir Geberit (à partir de
l‘année de construction 2009)
• Pour des hauteurs de chape de 0–20 cm
Particularités
• Cadre autoportant thermolaqué
• Châssis avec trous de perçage ø 9 mm à fixer dans construction en bois
• Pieds zingués
• Pieds réglables 0–20 cm
• Pieds antidérapants
• Plaques de pied rotatives
• Profondeur de la plaque de pied adaptée à un montage dans
profilés en U UW 50 et UW 75 et rails pour système Geberit Duofix
• Hauteur de l‘élément adaptable à l‘urinoir, 112–130 cm
• Boîtier à encastrer universel pour commandes d‘urinoir Geberit
• Borne de raccordement électrique dans le boîtier à encastrer
• Entrée d‘eau à droite sur le boîtier à encastrer
• Robinet d‘arrêt avec étranglement, prémonté
• Avec gaine vide intégrée pour le rinçage de la conduite
• Protection de chantier pour ouverture de révision 10.5 x 10.5 cm
ajustable sans outil
• Tuyau de chasse cintrable
• Tuyau de chasse avec guide afin d‘éviter l‘eau stagnante
• Fixation d‘entrée d‘eau ø 32 mm réglable en hauteur
• Fixation pour coude de raccordement réglable en hauteur et isolée contre le bruit
• Fixations d‘urinoir M8, réglables en hauteur et en largeur
• Traverses avec repérage central, réglable sans outil
• Adaptateur Geberit MeplaFix prémonté
• Fixation supplémentaire pour urinoir possible avec accessoires
• Convertible avec accessoires en urinoirs avec tête de diffusion
Etendue de la livraison
• Entrée d‘eau R 1/2“
• Protection de chantier avec couvercle
• 2 tiges filetées M8
• Matériel de fixation
Fabricant
Geberit
Système
Duofix
Trouvé
1
N° d'article
N° d'article
Fabricant