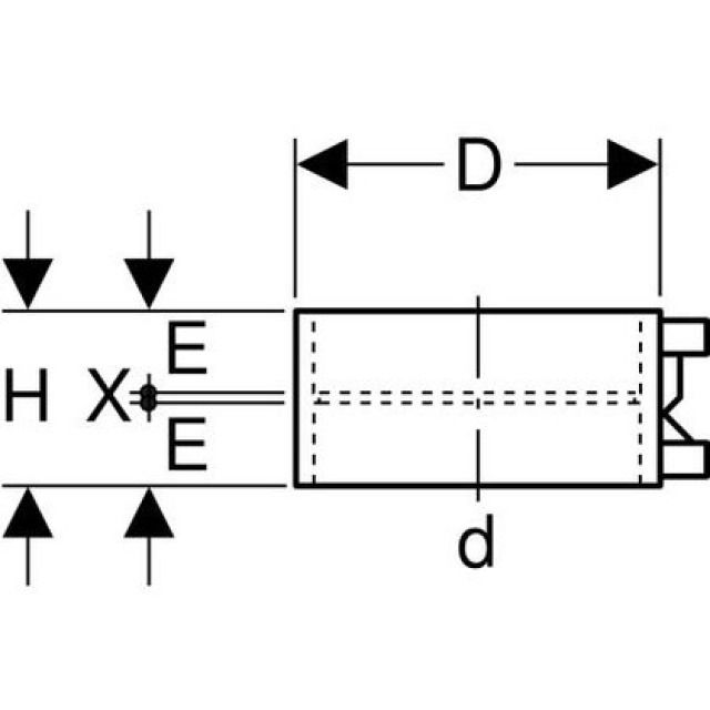
Geberit PE-HD, Manchon électro-soudable

Champ d‘application
• Pour l‘assemblage résistant à la traction et indémontable de
tuyaux et pièces
Particularités
• Soudable avec des appareils à souder électriques Geberit
Fabricant Geberit Système PE
Trouvé 9
9 de 9
D