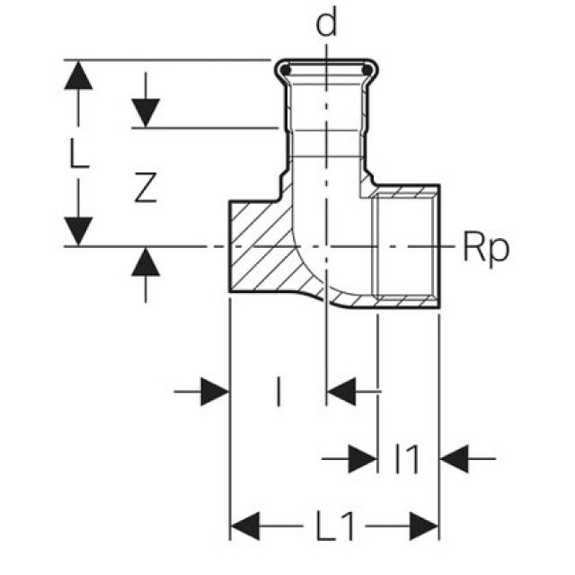
Geberit Mapress-gaz Equerre de raccordement du compteur de gaz 90° avec filetagefemelle

Champ d‘application
• Pour le raccordement de compteurs à gaz monotubes et bitubes

Particularités
• Indicateur de sertissage
• Non serti non étanche
• Marqué en jaune
• Deux points de fixation pour cercle de perçage ø 50 mm
• Joint d‘étanchéité en HNBR jaune
• Manchon à sertir avec bouchon de protection jaune
Caractéristiques techniques
Matériau Acier CrNiMo 1.4401 (EN 10088)
Fabricant Geberit Système Mapress