Set de té de raccordement Mapress acier carbone pour retour

Fabricant Geberit Système Mapress
3 de 3
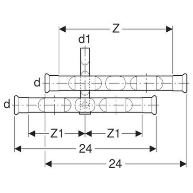
L
Z
Z1
L1