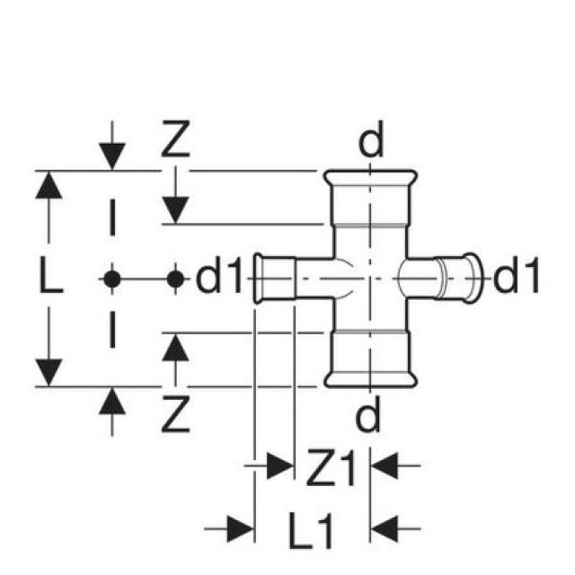
Raccord en croix 30° réduit Mapress acier carbone

Fabricant Geberit Système Mapress
3 de 3
L
Z
Z1
l
L1