Mapress Robinet à bille eau non potable, avec levier de déclenchement

Champ d‘application
• Pour eau de chauffage
• Pour eau de refroidissement sans antigel
• Pour eau de refroidissement avec antigel
• Pour air comprimé (classe de pureté d‘huile 0–3)
• Pour installations avec Geberit Mapress acier carbone
Particularités
• Bille en laiton, chromée
• Indicateur de sertissage
• Non serti non étanche
• Joint d‘étanchéité en CIIR noir
• Manchon à sertir avec bouchon de protection transparent
Caractéristiques techniques
Température de service -20 - +120 °C
Matériau Laiton CW617N
Fabricant Geberit Système Mapress
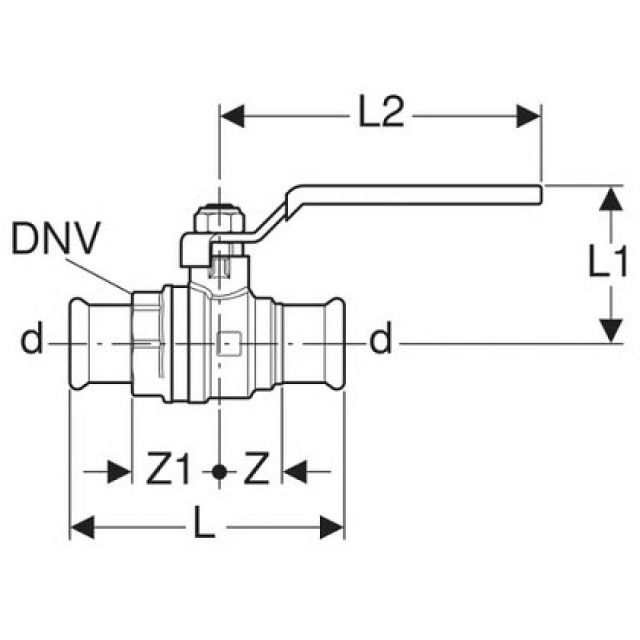
Trouvé 7
N° d'article
N° d'article
Fabricant
PN
Bar
Dimension
mm
L
cm
L1
cm
L2
cm
Z
cm
Z1
cm
7 de 7
Dimension
L
L1
L2
Z
Z1