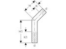
Geberit Mapress Coude d'ajustage acier inoxydable 45°

Matériau Acier CrNiMo 1.4401 (EN 10088)
Fabricant Geberit Système Mapress