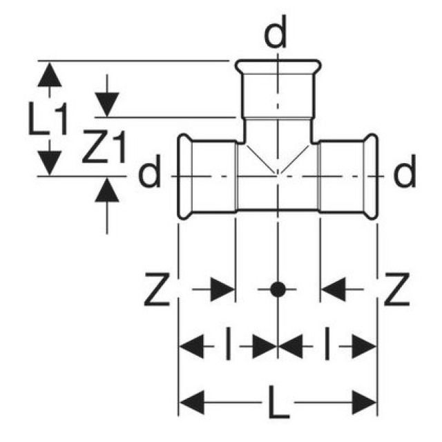
Té égal Mapress acier carbone

Fabricant Geberit Système Mapress
Trouvé 8
8 de 8
DN
L
Z
Z1
l
L1